Tact Switch # 31

Alpha Products,Inc. 351 Irving Drive, Oxnard, CA 93030, USA / T:805-981-8666 / F: 805-988-6555

New Products

Connectors

Potentiometers

RF Products

Assemblies

Contact Us

Quote Request

Fig.

Specifications

Rating

50mA @12V DC

Operating temperature

-20°C to +70°C

Contact resistance

100mOhm max

Life

100,000 min

Insulation resistance

100MOhm min @500V DC

Base

LCP thermoplastic, black

Dielectric strengh

350V AC/minute

Contact

Stainless steel w/silver cladding

Operating force

160/200/260gf

Terminal

PhBz w/silver cladding

Stroke

0.2mm

 

 

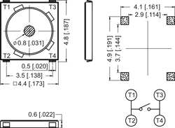
4 x 4 surface mount switch, 0.6mm thick

Part number

3SW/TTJ4

Disclaimer: Alpha Products, Inc. makes no warranties, expressed or implied, including warranties of merchantability or fitness or suitability for a particular purpose or application. Under no circumstances shall Alpha Products, Inc. be liable for incidental, consequential, or other damages from alleged negligence, breach of warranty, strict liability, tort, contract, or any other theory, arising out of the use, non use, or handling of these products. Unauthorized duplication, use or downloading of the contents of this site without our written approval is strictly forbidden by US. Laws. Copyright 2013, Alpha Products Inc.