Tact Switch # 24

Alpha Products,Inc. 351 Irving Drive, Oxnard, CA 93030, USA / T:805-981-8666 / F: 805-988-6555

New Products

Connectors

Potentiometers

RF Products

Assemblies

Contact Us

Quote Request

Fig.

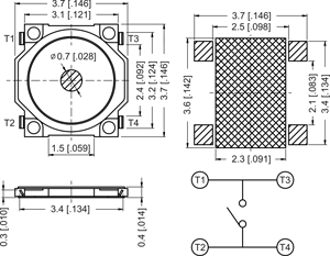
Specifications

Rating

50mA @12V DC

Operating temperature

-20°C to +70°C

Contact resistance

100mOhm max

Life

50,000 min

Insulation resistance

100MOhm min @100V DC

Base

Nylon, UL 94V-0, black

Dielectric strengh

100V AC/minute

Contact

Stainless steel w/silver cladding

Operating force

160/235gf

Terminal

PhBz with silver cladding

Stroke

0.15mm

 

 

3.7 x 3.7mm surface mount switch, 0.4mm thick

Part number:   3SW/TT3BL

Disclaimer: Alpha Products, Inc. makes no warranties, expressed or implied, including warranties of merchantability or fitness or suitability for a particular purpose or application. Under no circumstances shall Alpha Products, Inc. be liable for incidental, consequential, or other damages from alleged negligence, breach of warranty, strict liability, tort, contract, or any other theory, arising out of the use, non use, or handling of these products. Unauthorized duplication, use or downloading of the contents of this site without our written approval is strictly forbidden by US. Laws. Copyright 2013, Alpha Products Inc.