Tact Switch # 18

Alpha Products,Inc. 351 Irving Drive, Oxnard, CA 93030, USA / T:805-981-8666 / F: 805-988-6555

New Products

Connectors

Potentiometers

RF Products

Assemblies

Contact Us

Quote Request

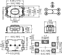
2.8 x 3.8mm side push switch, surface mount. Operating force = 200g

Part number

Color of stem / Operating force

3SW/TIPTG1

K = BLACK

W = WHITE

2.8 x 3.8mm vertical push switch, surface mount. Operating force = 160g

Part number

Dim “L”

Color of stem / Operating force

3SW/TIPTG2

1.9mm

K = BLACK

W = WHITE

3SW/TIPTG3

2.5mm

Specification

Rating

50mA @12V DC

Operating Temp.

-30°C to +80°C

Contact Resistance

100mOhm max

Life

50,000 min

Insulation Resistance

100MOhm min @500V DC

Cover

Stainless steel, silver plated

Dielectric Strengh

100V AC/minute

Base

Nylon, UL94V-0, black / brown

Operating Force

160/200gf

Stem

Nylon, UL94V-0

Stroke

Slide push = 0.2mm
Vertical push = 0.13mm

Terminal

Brass, silver / gold plated

Disclaimer: Alpha Products, Inc. makes no warranties, expressed or implied, including warranties of merchantability or fitness or suitability for a particular purpose or application. Under no circumstances shall Alpha Products, Inc. be liable for incidental, consequential, or other damages from alleged negligence, breach of warranty, strict liability, tort, contract, or any other theory, arising out of the use, non use, or handling of these products. Unauthorized duplication, use or downloading of the contents of this site without our written approval is strictly forbidden by US. Laws. Copyright 2013, Alpha Products Inc.