Tact Switch 29

Alpha Products,Inc. 351 Irving Drive, Oxnard, CA 93030, USA / T:805-981-8666 / F: 805-988-6555

New Products

Connectors

Potentiometers

RF Products

Assemblies

Contact Us

Quote Request

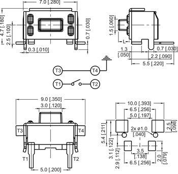
Fig.

Specifications

Rating

50mA @12V DC

Operating temperature

-25°C to +70°C

Contact resistance

100mOhm max

Life

50,000 min

Insulation resistance

100MOhm min @500V DC

Cover

Ni silver

Dielectric strengh

250V AC/minute

Base

Nylon, UL94V-0, black

Operating force

160/320gf

Stem

Nylon, UL94V-0

Stroke

0.45mm

Terminal

Brass, silver plated

4 x 7 right angle SMT switch, with support terminal & front ground terminal

Part number

Dim “L”
(mm)

3SW/TTAC01

0.7

3SW/TTAC02

1.4

3SW/TTAC05

5.0

4 x 7 right angle SMT switch, without support terminal & with side ground terminal

Part number

Dim “L”
(mm)

3SW/TTAN21

0.7

3SW/TTAN22

1.4

4 x 7 right angle SMT switch, with support terminal & side ground terminal

Part number

Dim “L”
(mm)

3SW/TTA021

0.7

3SW/TTA022

1.4

Disclaimer: Alpha Products, Inc. makes no warranties, expressed or implied, including warranties of merchantability or fitness or suitability for a particular purpose or application. Under no circumstances shall Alpha Products, Inc. be liable for incidental, consequential, or other damages from alleged negligence, breach of warranty, strict liability, tort, contract, or any other theory, arising out of the use, non use, or handling of these products. Unauthorized duplication, use or downloading of the contents of this site without our written approval is strictly forbidden by US. Laws. Copyright 2013, Alpha Products Inc.