Tact Switch # 27

Alpha Products,Inc. 351 Irving Drive, Oxnard, CA 93030, USA / T:805-981-8666 / F: 805-988-6555

New Products

Connectors

Potentiometers

RF Products

Assemblies

Contact Us

Quote Request

Fig.

Specifications

Rating

50mA @50V DC

Operating temperature

-40°C to +90°C

Operating force

130/300gf

Life

500,000 min

Stroke

0.5mm

Base

Nylon, UL 94V-0, black

 

 

Cover

Brass

Steam

Nylon

Terminal

PhBz, silver plated

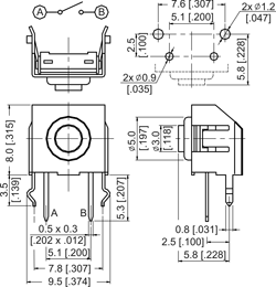
7 x 7 right angle angle switch, sealed type

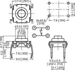
7 x7 through hole switch, sealed type

Part number:   3SW/TTA4

Part number:   3SW/TTH4

Disclaimer: Alpha Products, Inc. makes no warranties, expressed or implied, including warranties of merchantability or fitness or suitability for a particular purpose or application. Under no circumstances shall Alpha Products, Inc. be liable for incidental, consequential, or other damages from alleged negligence, breach of warranty, strict liability, tort, contract, or any other theory, arising out of the use, non use, or handling of these products. Unauthorized duplication, use or downloading of the contents of this site without our written approval is strictly forbidden by US. Laws. Copyright 2013, Alpha Products Inc.