Dip-Slide Switch # 7

Alpha Products,Inc. 351 Irving Drive, Oxnard, CA 93030, USA / T:805-981-8666 / F: 805-988-6555

New Products

Connectors

Potentiometers

RF Products

Assemblies

Contact Us

Quote Request

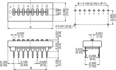
Part number: 3SW/DSTD - - S

DIP SLIDE SWITCH,
2~12 POS.,
TRI-STATE,
0.100" (2.54mm) PITCH

# of pos.

Dim. “A”

Dim “B”

2

.357 (9.06)

.100 (2.54)

3

.457 (11.60)

.200 (5.08)

4

.557 (14.14)

.300 (7.62)

5

.657 (16.68)

.400 (10.16)

6

.757 (19.22)

.500 (12.7)

7

.857 (21.76)

.600 (15.24)

8

.957 (24.30)

.700 (17.78)

9

1.057 (26.84)

.800 (20.32)

10

1.157 (29.38)

.900 (22.86)

12

1.357 (34.46)

1.100 (27.94)

Specification

Function

3 switching positions

Operating Force

1000 gf max

Non-switching Rating

100 mA @50V DC

Stroke

1.0 mm

Switching Rating

25 mA @24V DC

Body Material

UL94V-0 PBT thermoplastic, black

Contact Resistance

50 mOhm max. initial

Contact/Terminal Material

Copper alloy/brass, gold plated

Insulation Resistance

100 MOhm @500V DC

Actuator Material

UL94V-0 nylon, white

Dielectric Strength

500V AC for 1 minute

Life

2000 operations

Disclaimer: Alpha Products, Inc. makes no warranties, expressed or implied, including warranties of merchantability or fitness or suitability for a particular purpose or application. Under no circumstances shall Alpha Products, Inc. be liable for incidental, consequential, or other damages from alleged negligence, breach of warranty, strict liability, tort, contract, or any other theory, arising out of the use, non use, or handling of these products. Unauthorized duplication, use or downloading of the contents of this site without our written approval is strictly forbidden by US. Laws. Copyright 2013, Alpha Products Inc.