Dip-Slide Switch # 1

Alpha Products,Inc. 351 Irving Drive, Oxnard, CA 93030, USA / T:805-981-8666 / F: 805-988-6555

New Products

Connectors

Potentiometers

RF Products

Assemblies

Contact Us

Quote Request

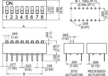
Part number: 3SW/DS - - - S - -

DIP SLIDE SWITCH,
1~12 POS., SPST,
STRAIGHT,
0.100" (2.54mm) PITCH

# of pos.

Dim. “A”

Dim “B”

1

.153 (3.9)

-

2

.254 (6.44)

.100 (2.54)

3

.354 (8.98)

.200 (5.08)

4

.454 (11.52)

.300 (7.62)

5

.554 (14.06)

.400 (10.16)

6

.654 (16.6)

.500 (12.7)

7

.754 (19.14)

.600 (15.24)

8

.854 (21.68)

.700 (17.78)

9

.954 (24.22)

.800 (20.32)

10

1.054 (26.76)

.900 (22.86)

12

1.254 (31.84

1.100 (27.94)

Specification

Function

SPST

Operating Force

1000 gf max

Non-switching Rating

100 mA @50V DC

Stroke

2.0 mm

Switching Rating

25 mA @24V DC

Body Material

UL94V-0 PBT thermoplastic

Contact Resistance

50 mOhm max. initial

Contact Material

PhBz, gold plated over Ni

Insulation Resistance

100 MOhm @500V DC

Actuator Material

UL94V-0 PBT white thermoplastic

Dielectric Strength

500V AC for 1 minute

Top Seal Material

Polyester film

Capacitance

5 pF max

Life

2000 operations

Disclaimer: Alpha Products, Inc. makes no warranties, expressed or implied, including warranties of merchantability or fitness or suitability for a particular purpose or application. Under no circumstances shall Alpha Products, Inc. be liable for incidental, consequential, or other damages from alleged negligence, breach of warranty, strict liability, tort, contract, or any other theory, arising out of the use, non use, or handling of these products. Unauthorized duplication, use or downloading of the contents of this site without our written approval is strictly forbidden by US. Laws. Copyright 2013, Alpha Products Inc.