Detector Switches 9

Alpha Products,Inc. 351 Irving Drive, Oxnard, CA 93030, USA / T:805-981-8666 / F: 805-988-6555

New Products

Connectors

Potentiometers

RF Products

Assemblies

Contact Us

Quote Request

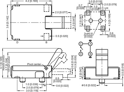
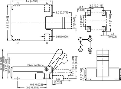
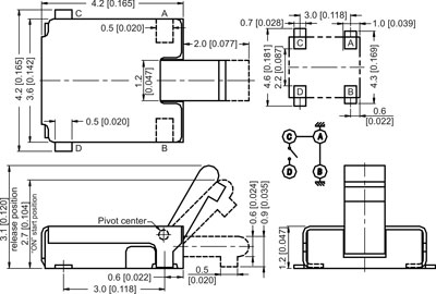
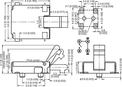
Part number:     3SW/DTTUU-

Flat terminal, w/o post

Flat terminal, with post

Bending terminal, w/o post

Bending terminal, with post

Specifications

Rating

50mA @3V DC ~ 10mA@5VDC

Operating Temperature

-10°C to +60°C

Contact Resistance

1 Ohm max

Life

50,000 cycles

Insulation Resistance

100MOhm min

Cover

Nickel silver

Dielectric Strength

100V AC/minute

Base

PA9T, black

Operating Force

40gf max

Stem

PA9T, black

Stroke

60°

Terminal

PhBz, silver plated

Disclaimer: Alpha Products, Inc. makes no warranties, expressed or implied, including warranties of merchantability or fitness or suitability for a particular purpose or application. Under no circumstances shall Alpha Products, Inc. be liable for incidental, consequential, or other damages from alleged negligence, breach of warranty, strict liability, tort, contract, or any other theory, arising out of the use, non use, or handling of these products. Unauthorized duplication, use or downloading of the contents of this site without our written approval is strictly forbidden by US. Laws. Copyright 2013, Alpha Products Inc.