|
|
 |
 |
|
Alpha Products,Inc. 351 Irving Drive, Oxnard, CA 93030, USA / T:805-981-8666 / F: 805-988-6555
|
 |
|
|
|
|
|
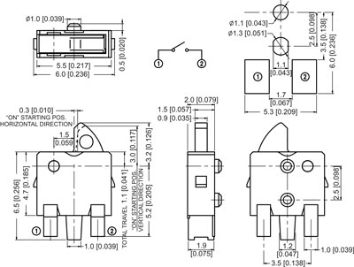
Right side operation, w/o ground terminal
|
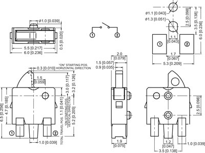
Left side operation, w/o ground terminal
|
|

|

|
|
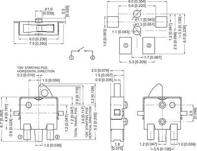
Right side operation, with ground terminal
|
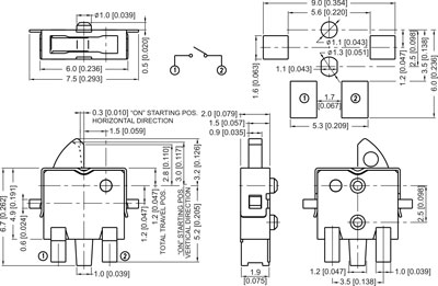
Left side operation, with ground terminal
|
|

|

|
|
 |
|
|
|
Specifications
|
|
Rating
|
50mA @20V DC max
|
Operating Temperature
|
-10°C to +60°C
|
|
Contact Resistance
|
1 Ohm max
|
Life
|
100,000 cycles
|
|
Insulation Resistance
|
100MOhm @100V DC
|
Cover
|
Copper alloy, tin plated
|
|
Dielectric Strength
|
100V AC/minute
|
Base
|
Nylon, UL94V-0, black
|
|
Operating Force
|
40gf max
|
Stem
|
Nylon, UL94V-0, black
|
|
Stroke
|
2.15mm max
|
Terminal
|
Brass, silver plated
|
|
 |
|
|
|
Disclaimer: Alpha Products, Inc. makes no warranties, expressed or implied, including warranties of merchantability or fitness or suitability for a particular purpose or application. Under no circumstances shall Alpha Products, Inc. be liable for incidental, consequential, or other damages from alleged negligence, breach of warranty, strict liability, tort, contract, or any other theory, arising out of the use, non use, or handling of these products. Unauthorized duplication, use or downloading of the contents of this site without our written approval is strictly forbidden by US. Laws. Copyright 2013, Alpha Products Inc.
|
|
|