Sealed Sub-miniature Toggle Sw 1

Alpha Products,Inc. 351 Irving Drive, Oxnard, CA 93030, USA / T:805-981-8666 / F: 805-988-6555

New Products

Connectors

Potentiometers

RF Products

Assemblies

Contact Us

Quote Request

Part number:
3SW/493E3S-

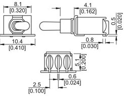
PCB layout

Code

Switching position

 

 

 

A

ON

NONE

ON

B

ON

OFF

ON

C

ON

NONE

(ON)

D

(ON)

OFF

(ON)

E

ON

OFF

(ON)

Term. comm.

2-3

OPEN

2-1

Specifications

Function

SPDT

Operating Temperature

-30°C to +85°C

Rating

See plating option

Case & Bushing

Nylon 4/6, GF, UL94V-0

Contact Resistance

20mOhm initial

Actuator

Copper alloy, Cr plated /Nylon 4/6/O-ring sealing

Insulation Resistance

1000MOhm min

Contact & Terminal

Copper alloy

Dielectric Strengh

1500V RMS

Seal

Epoxy

Life

30,000 cycles

Protection

IP67

Actuator options

Metal

Plastic

Code “1”

Code “2”

Code “3”

Code “4”

Code “5”

Code “6” black
Code “7” white

Code “8” black
Code “9” white

Contact plating options

Code

Contact plating

Terminal plating

Rating

Q

Silver

Silver

3A @120V AC or 28V DC; 1.5A @250V AC

R

Gold over nickel

Gold over nickel

0.4VA max @20V AC or DC max

G

Gold over silver

Gold over silver

0.4VA max @20V AC or DC max
3A @120V AC or 28V DC; 1.5A @250V AC

K

Gold over silver

Tin over silver

0.4VA max @20V AC or DC

Disclaimer: Alpha Products, Inc. makes no warranties, expressed or implied, including warranties of merchantability or fitness or suitability for a particular purpose or application. Under no circumstances shall Alpha Products, Inc. be liable for incidental, consequential, or other damages from alleged negligence, breach of warranty, strict liability, tort, contract, or any other theory, arising out of the use, non use, or handling of these products. Unauthorized duplication, use or downloading of the contents of this site without our written approval is strictly forbidden by US. Laws. Copyright 2013, Alpha Products Inc.