LW1-4 Switch

Alpha Products,Inc. 351 Irving Drive, Oxnard, CA 93030, USA / T:805-981-8666 / F: 805-988-6555

New Products

Connectors

Potentiometers

RF Products

Assemblies

Contact Us

Quote Request

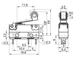
Part Number: 3SW/LW1Z5F -

 

Operating force option

 

Code

2

3

4

5

OF max (N)

0.5

0.6

0.8

1.25

RF max (mm)

0.12

0.15

0.2

0.3

PT max (mm)

1.0

OT min (mm)

0.6

MD max (mm)

18.5

OP (mm)

16.6

PRODUCT SPECIFICATION

Function

SPDT

Degree of temperature

85° C

Rating

5(2)A @250V AC / 5A @125V AC

Terminals

Solder

Contact resistance

50 mOhm max. initial

Insulation resistance

100 MOhm min @500V DC

Test voltage

1000V AC for 1 minute (between terminals of the same polarity)

1500V AC for 1 minute (between current-carrying metal parts and case, and between each terminal and non-current-carrying metal parts)

Vibration resistance

1.5mm @10~55Hz double amplitude

Degree of protection

IP67

Electrical life

50,000 cycles min

Safety approvals

UL, CUL, TUV, CE

Disclaimer: Alpha Products, Inc. makes no warranties, expressed or implied, including warranties of merchantability or fitness or suitability for a particular purpose or application. Under no circumstances shall Alpha Products, Inc. be liable for incidental, consequential, or other damages from alleged negligence, breach of warranty, strict liability, tort, contract, or any other theory, arising out of the use, non use, or handling of these products. Unauthorized duplication, use or downloading of the contents of this site without our written approval is strictly forbidden by US. Laws. Copyright 2013, Alpha Products Inc.