|
|
 |
 |
|
Alpha Products,Inc. 351 Irving Drive, Oxnard, CA 93030, USA / T:805-981-8666 / F: 805-988-6555
|
 |
|
|
|
|
Degree of temperature
|
|
Code
|
Value
|
|
None
|
85° C
|
|
T
|
125° C
|
|
H
|
150° C
|
|
G
|
200° C
|
|
|
|
Rating
|
|
t° Code
|
Code
|
Value
|
|
None, T, H
|
1
|
1(0.3)A @250V AC / 1A @125V AC
|
|
G
|
1A @125V AC / 0.1A @30V DC, 1A @30V DC
|
|
None, T, H
|
2
|
5(2)A @250V AC / 5A @125V AC
|
|
G
|
5A @125V AC / 0.1A @30V DC, 1A @30V DC
|
|
None, T, H
|
3
|
10(3)A @250V AC / 10A @125V AC
|
|
G
|
10A @125V AC
|
|
None, T
|
4
|
16(4)A @250V AC / 16A @125V AC
|
|
T
|
5
|
21(4)A @250V AC
|
|
H, G
|
6
|
22A @125V AC
|
|
None
|
7
|
25(4)A @250V AC
|
|
|
|
Function
|
|
Code
|
Function
|
|
Z
|
SPDT
|
|
|
|
T
|
SPST-NO
|
|
|
|
D
|
SPST-NC
|
|
|
|
|
|
 |
|
|
|
Lever
|
|
Code
|
Dim
|
Code
|
Dim
|
Code
|
Dim
|
Code
|
Dim
|
Code
|
Dim
|
|
Q2
|

|
N1
|

|
E3
|

|
P5
|

|
W
|

|
|
R
|

|
T
|

|
E4
|

|
U
|

|
M
|

|
|
B4
|

|
N
|

|
I1
|

|
U3
|

|
J4
|

|
|
H
|

|
P2
|

|
J2
|

|
V
|

|
|
|
|
D
|

|
B3
|

|
O1
|

|
X
|

|
|
|
|
C
|

|
E2
|

|
P3
|

|
Y
|

|
|
|
|
 |
|
|
|
|
Case material
|
|
Code
|
Material
|
|
None
|
Thermoplastic
|
|
G
|
Thermosetting
|
|
|
|
Case form
|
|
Code
|
Form
|
|
None
|

|
|
B
|

|
|
C
|

|
|
|
|
Operating force
|
|
Code
|
OF
|
|
1
|
0.15N
|
|
2
|
0.25N
|
|
3
|
0.5N
|
|
4
|
1N
|
|
5
|
1.5N
|
|
6
|
2N
|
|
7
|
3N
|
|
8
|
4N
|
|
|
|
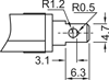
Plunger
|
|
Code
|
Fig
|
|
None
|
|
|
A
|
|
|
B
|
|
|
C
|
|
|
D
|
|
|
|
|
Plunger
|
|
Code
|
Gap
|
|
None
|
0.5 mm
|
|
X
|
1 mm
|
|
Y
|
3 mm
|
|
|
|
 |
|
|
|
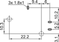
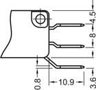
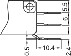
Terminals type
|
|
Code
|
A (quick-connect #250)
|
B (quick-connect #187, t = 0.8)
|
C (quick-connect #187, t = 0.5)
|
D (solder #187)
|
|
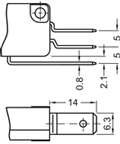
Fig.
|

|

|

|

|
|
 |
|
|
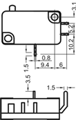
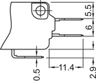
|
Code
|
L (left side PCB)
|
R (right side PCB)
|
F (solder)
|
E (screw)
|
H (quick-connect #250)
|
|
Fig.
|

|

|
|

|

|
|
 |
|
|
|
Disclaimer: Alpha Products, Inc. makes no warranties, expressed or implied, including warranties of merchantability or fitness or suitability for a particular purpose or application. Under no circumstances shall Alpha Products, Inc. be liable for incidental, consequential, or other damages from alleged negligence, breach of warranty, strict liability, tort, contract, or any other theory, arising out of the use, non use, or handling of these products. Unauthorized duplication, use or downloading of the contents of this site without our written approval is strictly forbidden by US. Laws. Copyright 2013, Alpha Products Inc.
|
|
|