Dip-Piano Switch # 2

Alpha Products,Inc. 351 Irving Drive, Oxnard, CA 93030, USA / T:805-981-8666 / F: 805-988-6555

New Products

Connectors

Potentiometers

RF Products

Assemblies

Contact Us

Quote Request

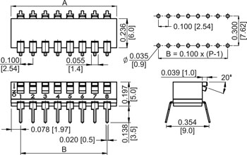
Part number: 3SW/DPNS - -

DIP PIANO SWITCH,
2~10 POS., SPST,
STRAIGHT,
0.100" (2.54mm) PITCH

# of pos.

Dim. “A”

Dim “B”

2

.255 (6.48)

.100 (2.54)

4

.455 (11.56)

.300 (7.62)

6

.655 (16.64)

.500 (12.7)

8

.855 (21.72)

.700 (17.78)

10

1.055 (26.80)

.900 (22.86)

Specification

Function

SPST

Operating Temperature

-20°C to +85°C

Switching Rating

25 mA @24V DC

Body Material

UL94V-0 Nylon black thermoplastic

Contact Resistance

100 mOhm @500V DC

Contact Material

Copper alloy, gold plated

Insulation Resistance

100 MOhm @500V DC

Actuator Material

UL94V-0 LCP white thermoplastic

Dielectric Strength

100V AC for 1 minute

Terminal

Brass, gold plated

Operating Force

800 gf max

Life

2000 operations

Storage Temperature

-40°C to +85°C

 

 

Disclaimer: Alpha Products, Inc. makes no warranties, expressed or implied, including warranties of merchantability or fitness or suitability for a particular purpose or application. Under no circumstances shall Alpha Products, Inc. be liable for incidental, consequential, or other damages from alleged negligence, breach of warranty, strict liability, tort, contract, or any other theory, arising out of the use, non use, or handling of these products. Unauthorized duplication, use or downloading of the contents of this site without our written approval is strictly forbidden by US. Laws. Copyright 2013, Alpha Products Inc.